双排球触球转盘轴承(回转支承)
类别:双排球转盘轴承
| 参数名称 | 参数值 |
|---|---|
| 材料 | 42CrMo、50Mn |
| 调质硬度 | 229~369HB |
| 滚道淬火硬度 | 58~64HRC |
| 齿淬火硬度 | 50±5HRC |
| 游隙 | 国标、可定制 |
| 精度等级 | P0、P6、P5、P4 |
| 保持架材料 | 尼龙PA66、钢、黄铜 |
| 产地 | 洛阳 |
| 品牌 | LYAB |
咨询热线:185-3836-8720
双排球触球转盘轴承(回转支承)
类别:双排球转盘轴承
| 参数名称 | 参数值 |
|---|---|
| 材料 | 42CrMo、50Mn |
| 调质硬度 | 229~369HB |
| 滚道淬火硬度 | 58~64HRC |
| 齿淬火硬度 | 50±5HRC |
| 游隙 | 国标、可定制 |
| 精度等级 | P0、P6、P5、P4 |
| 保持架材料 | 尼龙PA66、钢、黄铜 |
| 产地 | 洛阳 |
| 品牌 | LYAB |
咨询热线:185-3836-8720
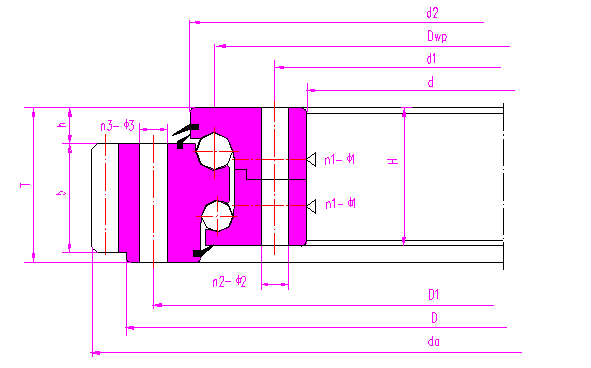
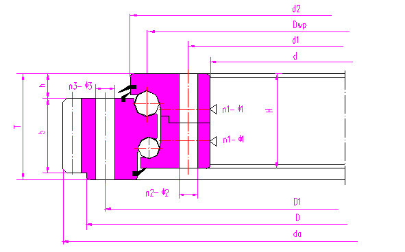
双排球转盘轴承按照钢球的回转中心径可以分为同径双排球转盘轴承和异径双排球转盘轴承,按照齿结构分可分为内齿、外齿、无齿三种结构。
双排异径球转盘轴承可以同时承受轴向载荷、倾覆力矩和径向载荷。其中上排球主要承受轴向载荷和倾覆力矩,下排球主要承受反向倾覆力矩。因此,双排异径球转盘轴承的承载能力大于四点接触球转盘轴承,但摩擦阻力大于后者。
双排异径球转盘轴承主要由内圈、外圈、上下两排钢球、隔离块、密封装置等零件组成。上排球主要承受轴向载荷和倾覆力矩,故选用的球径大于下排球的球径。为应对各种工况条件下产生的不同轴向力、倾覆力矩和径向力组合,双排异径球转盘轴承的接触角可以做相应调整。
双排异径球转盘轴承的内圈或外圈有整体式和分体式结构。整体式套圈的刚性相对较强,分体式调整方便,分体式结构在产品出厂前已通过螺栓将两个分体圈连接在一起。
双排异径球转盘轴承通常有保持架(或隔离块),只有在载荷较大时采用满装球式结构,满装球式球轴承承载能力大,但摩擦阻力大,摩擦还容易造成钢球表面产生划痕。
双排异径球转盘轴承适用于以轴向载荷为主、有较大倾覆力矩、轴承径向安装位置受限的场合。该结构对安装精度以及轴承支撑的轴向和径向变形敏感性min小。



| 序号 | 轴承型号 | 外形尺寸 | ||
| d | D | T | ||
| 1 | 020.25.500.** | 384 | 616 | 106 |
| 2 | 021.25.500.** | 384 | 616 | 106 |
| 3 | 023.25.500.** | 384 | 616 | 106 |
| 4 | 022.25.500.** | 384 | 616 | 106 |
| 5 | 024.25.500.** | 384 | 616 | 106 |
| 6 | 020.25.560.** | 444 | 676 | 106 |
| 7 | 021.25.560.** | 444 | 676 | 106 |
| 8 | 023.25.560.** | 444 | 676 | 106 |
| 9 | 022.25.560.** | 444 | 676 | 106 |
| 10 | 024.25.560.** | 444 | 676 | 106 |
| 11 | 020.25.630.** | 514 | 746 | 106 |
| 12 | 021.25.630.** | 514 | 746 | 106 |
| 13 | 023.25.630.** | 514 | 746 | 106 |
| 14 | 022.25.630.** | 514 | 746 | 106 |
| 15 | 024.25.630.** | 514 | 746 | 106 |
| 16 | 020.25.710.** | 594 | 826 | 106 |
| 17 | 021.25.710.** | 594 | 826 | 106 |
| 18 | 023.25.710.** | 594 | 826 | 106 |
| 19 | 022.25.710.** | 594 | 826 | 106 |
| 20 | 024.25.710.** | 594 | 826 | 106 |
| 21 | 020.30.800.** | 658 | 942 | 124 |
| 22 | 021.30.800.** | 658 | 942 | 124 |
| 23 | 023.30.800.** | 658 | 942 | 124 |
| 24 | 022.30.800.** | 658 | 942 | 124 |
| 25 | 024.30.800.** | 658 | 942 | 124 |
| 26 | 020.30.900.** | 758 | 1042 | 124 |
| 27 | 021.30.900.** | 758 | 1042 | 124 |
| 28 | 023.30.900.** | 758 | 1042 | 124 |
| 29 | 022.30.900.** | 758 | 1042 | 124 |
| 30 | 024.30.900.** | 758 | 1042 | 124 |
| 31 | 020.30.1000.** | 858 | 1142 | 124 |
| 32 | 021.30.1000.** | 858 | 1142 | 124 |
| 33 | 023.30.1000.** | 858 | 1142 | 124 |
| 34 | 022.30.1000.** | 858 | 1142 | 124 |
| 35 | 024.30.1000.** | 858 | 1142 | 124 |
| 36 | 020.30.1120.12 | 978 | 1262 | 124 |
| 37 | 021.30.1120.12 | 978 | 1262 | 124 |
| 38 | 023.30.1120.** | 978 | 1262 | 124 |
| 39 | 022.30.1120.** | 978 | 1262 | 124 |
| 40 | 024.30.1120.** | 978 | 1262 | 124 |
| 41 | 020.40.1250.12 | 1074 | 1426 | 160 |
| 42 | 021.40.1250.12 | 1074 | 1426 | 160 |
| 43 | 023.40.1250.** | 1074 | 1426 | 160 |
| 44 | 022.40.1250.** | 1074 | 1426 | 160 |
| 45 | 024.40.1250.** | 1074 | 1426 | 160 |
| 46 | 020.40.1400.** | 1224 | 1576 | 160 |
| 47 | 021.40.1400.12 | 1224 | 1576 | 160 |
| 48 | 023.40.1400.** | 1224 | 1576 | 160 |
| 49 | 022.40.1400.12 | 1224 | 1576 | 160 |
| 50 | 024.40.1400.** | 1224 | 1576 | 160 |
| 51 | 020.40.1600.** | 1424 | 1776 | 160 |
| 52 | 021.40.1600.** | 1424 | 1776 | 160 |
| 53 | 023.40.1600.** | 1424 | 1776 | 160 |
| 54 | 022.40.1600.12 | 1424 | 1776 | 160 |
| 55 | 024.40.1600.** | 1424 | 1776 | 160 |
| 56 | 020.40.1800.** | 1624 | 1976 | 160 |
| 57 | 021.40.1800.** | 1624 | 1976 | 160 |
| 58 | 023.40.1800.** | 1624 | 1976 | 160 |
| 59 | 022.40.1800.12 | 1624 | 1976 | 160 |
| 60 | 024.40.1800.** | 1624 | 1976 | 160 |
| 61 | 020.50.2000.** | 1785 | 2215 | 190 |
| 62 | 021.50.2000.** | 1785 | 2215 | 190 |
| 63 | 023.50.2000.** | 1785 | 2215 | 190 |
| 64 | 022.50.2000.** | 1785 | 2215 | 190 |
| 65 | 024.50.2000.** | 1785 | 2215 | 190 |
| 66 | 020.50.2240.** | 2025 | 2455 | 190 |
| 67 | 021.50.2240.** | 2025 | 2455 | 190 |
| 68 | 023.50.2240.** | 2025 | 2455 | 190 |
| 69 | 022.50.2240.** | 2025 | 2455 | 190 |
| 70 | 024.50.2240.** | 2025 | 2455 | 190 |
| 71 | 021.25.2285.03 | 2209 | 2470 | 90 |
| 72 | 020.50.2500.** | 2285 | 2715 | 190 |
| 73 | 021.50.2500.12 | 2285 | 2715 | 190 |
| 74 | 023.50.2500.** | 2285 | 2715 | 190 |
| 75 | 022.50.2500.12 | 2285 | 2715 | 190 |
| 76 | 024.50.2500.** | 2285 | 2715 | 190 |
| 77 | 021.50.2500.12 | 2285 | 2715 | 190 |
| 78 | 020.40.2685.03 | 2530 | 2820 | 156 |
| 79 | 020.50.2800.** | 2585 | 3015 | 190 |
| 80 | 021.50.2800.** | 2585 | 3015 | 190 |
| 81 | 023.50.2800.** | 2585 | 3015 | 190 |
| 82 | 022.50.2800.** | 2585 | 3015 | 190 |
| 83 | 024.50.2800.** | 2585 | 3015 | 190 |
| 84 | 024.40.2875.03 | — | 3040 | 181 |
| 85 | 024.45.2895.03 | — | 3075 | 198 |
| 86 | 023.40.2940.03 | — | 3100 | 181 |
| 87 | 020.60.3150.** | 2872 | 3428 | 226 |
| 88 | 021.60.3150.** | 2872 | 3428 | 226 |
| 89 | 023.60.3150.03 | 2872 | 3428 | 226 |
| 90 | 022.60.3150.** | 2872 | 3428 | 226 |
| 91 | 024.60.3150.** | 2872 | 3428 | 226 |
| 92 | 024.50.3250.03 | — | 3455 | 217 |
| 93 | 024.50.3250.03K | — | 3455 | 222 |
| 94 | 024.60.3310.03 | — | 3503 | 240 |
| 95 | 020.60.3485.03 | 3245.0 | 3683 | 230 |
| 96 | 020.60.3550.** | 3272 | 3828 | 226 |
| 97 | 021.60.3550.** | 3272 | 3828 | 226 |
| 98 | 023.60.3550.** | 3272 | 3828 | 226 |
| 99 | 022.60.3550.** | 3272 | 3828 | 226 |
| 100 | 024.60.3550.** | 3272 | 3828 | 226 |
| 101 | 020.60.4000.** | 3722 | 4278 | 226 |
| 102 | 021.60.4000.** | 3722 | 4278 | 226 |
| 103 | 023.60.4000.** | 3722 | 4278 | 226 |
| 104 | 022.60.4000.** | 3722 | 4278 | 226 |
| 105 | 024.60.4000.** | 3722 | 4278 | 226 |
| 106 | 020.60.4500.** | 4222 | 4778 | 226 |
| 107 | 021.60.4500.** | 4222 | 4778 | 226 |
| 108 | 023.60.4500.** | 4222 | 4778 | 226 |
| 109 | 022.60.4500.** | 4222 | 4778 | 226 |
| 110 | 024.60.4500.** | 4222 | 4778 | 226 |
| 111 | 022.60.4700.03 | 4470 | 5184 | 250 |
扫一扫
扫一扫